1.Lệnh tương tác
1.1 Lệnh khai báo, kết nối nối tiếp, kết nối song song: LD, LDI, AND, ANDI, OR, ORI

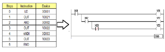
- Lệnh LD (Load), LDI (Load Inverse)
LD được sử dụng để bắt đầu hoạt động của tiếp điểm thường mở trong khi LDI được sử dụng để bắt đầu hoạt động tiếp điểm thường đóng.
Có hai cách để khai báo lệnh này:
Cách 1: gõ LD (hoặc LDI) => dấu cách => tên biến tương ứng (X,Y,M..00,01,02…)

Cách 2: Chọn vị trí tiếp điểm thường mở ( hoặc thường đóng) rồi chọn biểu tượng tiếp điểm thường đóng (thường mở) trên thanh công cụ.
![]()
- Lệnh nối tiếp (AND, ANDI)
AND là một lệnh để kết nối trong chuỗi với tiếp điểm thường mở trong khi ANDI là dùng để kết nối theo chuỗi với tiếp điểm thường đóng
Cách khai báo cũng tương tự như trên:

- Lệnh song song (OR, ORI)
OR là một lệnh để kết nối song song với Contact A trong khi ORI là một lệnh để kết nối song song với Contact B.

1.2 Lệnh khai báo, kết nối nối tiếp, kết nối song song cho tiếp điểm chuyển tiếp trạng thái ON OFF : LDP, LDF, ANDP, ANDF, ORP, ORF
- Lệnh lấy sườn xung lên LDP (Load pulse) và sườn xung xuống LDF (Load Falling Pulse)
Lệnh LDP là lệnh nhận dạng sườn xung lên đối với tiếp điểm thường mở.Khi tín hiệu chuyển trạng thái từ 0 lên 1 đối với một tiếp điểm thì nó cũng sẽ cho một tạo một xung ngắn.

Ngược lại sẽ lệnh nhận dạng sườn xung xuống với tiếp điểm thường mở.Khi tín hiệu của một địa chỉ chuyển từ 1 xuống 0 thì tiếp điểm đó tạo ra một xung ngắn.

- Lệnh nối tiếp ANDP, ANDF và lệnh song song ORP, ORF
Lệnh ANDP nối thêm tiếp điểm xung sườn lên sau một tiếp điểm xung sườn lên khác

Lệnh ANDF nối thêm tiếp điểm xung sườn xuống sau một tiếp điểm xung sườn xuống khác

Lệnh ORP là lệnh cho phép nối song song một tiếp điểm xung sườn lên với một tiếp điểm xung sườn lên khác

Lệnh ORF là lệnh cho phép nối song song một tiếp điểm xung sườn xuống với một tiếp điểm xung sườn xuống khác

1.3 Đảo ngược kết quả hoạt động: INV (nghịch đảo)
Lệnh INV cho phép bạn xuất một kết quả đảo ngược.Nó giống như sự xuất kết quả trong mạch NOT trong điện tử số.Có thể sử dụng nút F4 trên bàn phím để khai báo lệnh INV.
Để hiểu hơn về lệnh INV, hãy quan sát hai chương trình A, B bên dưới:

Ở đây kết quả là giống nhau.
1.4 Lệnh khai báo, kết nối Series, kết nối song song cho điều khiển bit thiết bị dữ liệu
- Lệnh LDBT (Load Bit), LDBTI (Load Bit Inverse)
Lệnh LDBT có cú pháp ” BT (S) n ” cho phép kết quả đầu ra được ON khi mà bít thứ n của (S) đang ở trạng thái tích cực (1)
Ta có ví dụ sau:

Theo như ví dụ địa chỉ thứ 3 của D0 là 1 và đầu ra Y12 cũng sẽ là ON.
Lệnh LDBTI thì cũng tương tự nhưng có điều kiện ngược lại
Khi bít thứ n của (S) là 0 thì đầu ra sẽ ON và ngược lại bit thứ n của (S) là 0 thì đầu ra sẽ là OFF.

- ORBIT (ORBit), ORBIT (ORBit ngược)
Các hướng dẫn này được sử dụng để đọc dữ liệu bit được gán cho S2 trong số các địa chỉ từ trong Thiết bị D được gán cho S1, kết nối song song với tiếp điểm A (ORBT) và tiếp điểm B (ORBTI). Thông tin (Bật / Tắt) trên thiết bị được chỉ định được nhận và thực hiện như là kết quả của hoạt động của chúng.

Bật X00 hoặc bit thứ 3 của D00 sẽ bật Y10.
2.Các loại lệnh kết nối
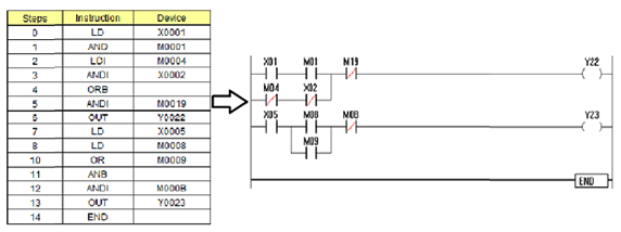
2.1. Lệnh kết nối nối tiếp và kết nối song song của khối: ANB, ORB
2.1.1. Lệnh ANB (AND Block)
- Kết nối khối A và khối B trong chuỗi và đưa kết quả đến đầu ra.
- BIB instruction is not a symbolic link, nhưng symbolic link.
- Có tối đa 15 lệnh (16 khối) trong trường hợp viết ANB liên tục.

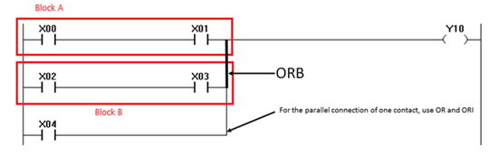
2.1.2. Lệnh ORB (OR Block)
Kết nối ‘Chặn A’ và ‘Chặn B’ song song và lấy kết quả cho đầu ra.
Lệnh -ORB được sử dụng để kết nối khối mạch trên hai tiếp điểm song song. Mặt khác, để kết nối khối mạch của một số liên lạc, hãy sử dụng OR và ORI. ORB là không cần thiết trong trường hợp này.
Lệnh -ORB không phải là biểu tượng liên lạc mà là biểu tượng kết nối.
Có tối đa 15 lệnh (16 khối) trong trường hợp viết ORB liên tục.

2.2. Lệnh mở rộng nhánh Multiple Branch: MPS, MRD, MPP
2.2.1. MPS
Chức năng: đây được sử dụng để bắt đầu phân nhánh trong một cái thang. MPS lưu trữ điểm kết nối của mạch ladder để các nhánh cuộn tiếp theo có thể gọi lại giá trị sau này.
2.2.2. MRD
Chức năng: đây được sử dụng để chuyển tiếp nhánh trong một cái thang. MRD nhớ lại hoặc đọc dữ liệu điểm kết nối được lưu trước đó và buộc tiếp điểm tiếp theo kết nối với nó.
2.2.3. MPP
Chức năng: đây được sử dụng để kết thúc phân nhánh trong một cái thang. MPP bật (nhớ lại và loại bỏ) điểm kết nối đã lưu.
Đầu tiên, nó kết nối tiếp điểm tiếp theo, và sau đó nó sẽ loại bỏ điểm khỏi vùng lưu trữ tạm thời.

3.Các lệnh OUTPUT
3.1. Lệnh Out cho địa chỉ bit, bộ định thời, bộ đếm
VD 1. Một chương trình có ngõ ra với một đơn vị đầu ra

VD 2 Một chương trình ngõ ra là địa chỉ bit

3.2 Lệnh thiết lập và khôi phục thiết bị bit: SET, RST
Lệnh SET đặt thiết bị bit ON vĩnh viễn. Thiết bị đã bật vẫn là trạng thái đã bật ngay cả sau khi lệnh SET được TẮT.
Lệnh RST đặt lại một thiết bị bit OFF vĩnh viễn. Thiết bị đã bật bằng lệnh SET có thể được TẮT và đặt lại bằng lệnh RST.

Bật ON X00 khiến Y00 BẬT.Y00 vẫn BẬT ngay cả sau khi X00 TẮT.
Quay về X01 khiến Y00 tắt TẮT.Y00 vẫn TẮT ngay cả sau khi X01 chuyển TẮT.
Hướng dẫn -SET và RST có thể được sử dụng cho cùng một thiết bị nhiều lần nếu cần.Tuy nhiên, lệnh cuối cùng được kích hoạt sẽ xác định trạng thái hiện tại.
3.3 Đầu ra xung của Edge Edge và Falling cho quét: PLS, PLF
- Lệnh PLS (Pulse – Rising edge puls)
Cấu trúc lệnh là “PLS (S)” và hoạt động theo nguyên tắc khi đầu vào chuyển từ OFF sang ON thì (S) cũng sẽ chuyển từ OFF sang ON rồi lại trở lại OFF trong khoảng thời gian 1 chu trình quét.
Để hiểu rõ hơn ta xét ví dụ sau

Khi X00 được bật ON từ OFF bằng lệnh PLS, thiết bị “M00” được bật ON chỉ cho một lần quét.
- Lệnh PLF (Pulse Falling – Falling edge pulse)
Cấu trúc lệnh là “PLF (S)” và hoạt động theo nguyên tắc khi đầu vào chuyển từ ON sang OFF thì (S) cũng sẽ chuyển từ OFF sang ON rồi lại trở lại OFF trong khoảng thời gian 1 chu trình quét.

Khi X00 được bật OFF từ ON bằng lệnh PLS, thiết bị “M00” được bật ON chỉ cho một lần quét.
4.Lệnh END
4.1. Lệnh kết thúc chương trình chính: END
Được sử dụng để kết thúc chương trình chính quy.
Khi lệnh END được bật, PLC quay trở lại bước 0, bước sau khi thực hiện lệnh PEND (Timer, Counter, Check, vv ..) và thực hiện lại thao tác.


Khi PLC được bật, chương trình sẽ bắt đầu từ bước 0.
Khi M00 bật, lệnh INC hoạt động và D0 tăng.
Khi M01 bật, nhưng lệnh INC không hoạt động, D1 không tang vì nó đặt sau lệnh END.
4.2. Kết thúc chương trình chính theo điều kiện : CEND, CENDP

Nếu điều kiện thực hiện lệnh được bật ON, lệnh CEND (P) sẽ kết thúc chương trình chính quy trình.
Sự khác biệt với lệnh END là CEND (P) phải có điều kiện để kích hoạt.
Vào cuối Chương trình chính định tuyến phải là lệnh END.

Ví dụ: khi điều kiện đầu vào cho CEND (M05) được bật ON, một chương trình thường trình chính sẽ kết thúc.Chú ý Y31 là OFF như thế nào do lệnh CEND đã kết thúc chương trình chính, mặc dù M11 được bật ON.


Khi điều kiện đầu vào cho CEND (M05) được TẮT, nó sẽ nhảy và sẽ không thực hiện lệnh CEND.Bây giờ chương trình thông thường chính không kết thúc, Y31 được BẬT.

4.3. Chương trình kết thúc chuỗi: PEND

Lệnh PEND đánh dấu sự kết thúc của một chương trình.Quá trình quét kết thúc tại đây và quay lại bước 0.

Trong khi chương trình chính và chương trình tuần đang chạy, không sử dụng lệnh PEND. Thay vào đó, sử dụng lệnh END nếu kết thúc chương trình khi chạy.
Trong trường hợp với chương trình chính, chương trình chương trình, chương trình chương trình và chương trình chuỗi, sử dụng lệnh END và hiển thị PEND ở dưới cùng bên dưới.
5.Lệnh chương trình rẽ nhánh
5.1. Lệnh Jump qua các đoạn chương trình

Khi đầu vào cho lệnh JMP n được BẬT, việc thực thi chương trình nhảy vào lệnh JME n, vô hiệu hóa và bỏ qua tất cả các hướng dẫn giữa JMP n và JME n.
Ví dụ, khi đầu vào (M00) cho JMP 1 được BẬT, chương trình bỏ qua và sẽ không vận hành lệnh INC D10, dẫn đến giá trị ‘0’ cho thiết bị D10 vì nó nằm giữa JMP 1 và JME 1.
Trong khi D10 giữ nguyên giá trị ‘0’ do lệnh JMP, hãy chú ý giá trị của D20 là +25792 vì lệnh INC D20 không được bao gồm giữa JMP 1 và JME 1.

Nhiều lệnh JMP có thể ghép nối với một lệnh JME.

Mặc dù số từ 0 đến 127 có thể được sử dụng cho Số JMP, số này không được hoán đổi cho nhau với số được sử dụng cho chức năng thường lệ (SBRT, RET)
Xin lưu ý rằng lệnh JMP giữa các khối SBRT và RET được coi là lỗi.

Ví dụ: một chương trình sử dụng lệnh JMP
Khi M01 đang ON, nó sẽ chuyển sang Bước 8 và thực hiện thao tác sau bước JME 1.Lưu ý cách Y30 và Y31 TẮT do lệnh JMP mặc dù M10 và M11 đang BẬT.

Y30 và Y31 sẽ ON khi M01 tắt và tắt hướng dẫn JMP.
Lưu ý cách Y30 và Y31 BẬT và có giá trị 1 trong màn hình bộ nhớ.


5.2. Lệnh Sub Routine: CALL, CALLP, SBRT, RET

Khi điều kiện đầu vào cho lệnh CALL n được bật ON, chương trình sẽ thực hiện các hoạt động được gọi giữa SBRTn và RET theo CALL n.

- CALL No. có thể được sử dụng bằng cách lồng.
- Hướng dẫn giữa SBRT n và RET phải được đặt sau lệnh END.
- Các điều kiện được xử lý dưới dạng lỗi:
- Khi giá trị n được nhập vào khác 0 ~ 127.
- Khi lệnh CALL n tồn tại mà không có SBRT n.
- Khi SBRT n hoặc RET đứng một mình.
- Có thể GỌI một SBRT khác trong SBRT lên tối đa 16 lần
Ví dụ:
Khi điều kiện đầu vào (M04) cho CALL 3 được bật ON, chương trình sẽ thực hiện các thao tác được gọi (F92 -> INCP D0 / F10 -> MOV D0 M60) giữa SBRT 3 và RET theo hướng dẫn CALL 3.


Khi đồng hồ đánh dấu mỗi 0,2 giây (F92), nó sẽ tăng giá trị của D0 lên 1.
Khi F10 luôn bật, nó sẽ di chuyển giá trị của D0 đến thiết bị M60.
5.3. Lệnh gọi giữa các tệp chương trình: ECALL, ECALLP, SBRT, RET

Khi điều kiện đầu vào cho lệnh ECALL ID No.n được bật ON, nó di chuyển đến chương trình ID No.n con tương ứng và thực thi các hoạt động được gọi giữa SBRT n và RET bên trong chương trình con phụ theo lệnh ECALL ID No.n

- Số ECALL ID n có thể được sử dụng bằng cách lồng.
- Chương trình SBRT n và RET phải có số tương ứng với số ECALL ID n.
- Các điều kiện được xử lý dưới dạng lỗi:
- Khi giá trị n được nhập vào khác 0 ~ 127.
- Khi lệnh ECALL ID No. n tồn tại mà không có tệp chương trình tương ứng.
- Khi lệnh SBRT n hoặc RET đứng một mình.
- Có thể CALL hoặc ECALL một SBRT khác trong một SBRT.
Khi điều kiện đầu vào M02 cho ECALL3 (Program ID) 2 (Sub Routine) được bật ON, nó di chuyển đến chương trình con thường lệ tương ứng ID ‘3’ và thực hiện các hoạt động được gọi giữa SBRT 2 và RET theo lệnh ECALL 3 2.
